Марки:
ИПП-10/2000
Каталог изоляторов
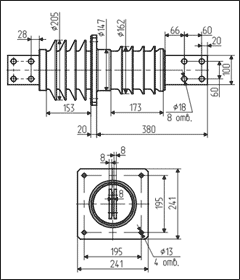
Изолятор полимерный проходной ИПП-10/2000
Изоляторы предназначены для прохода токоведущих элементов через стену или перекрытие, имеющие другой электрический потенциал, а также для изоляции электрических вводов в трансформаторах, электрических машинах, генераторах.
![]() |
|



