Каталог арматуры
Зажимы натяжные (НБ, НЗ)
1. Преимущественная область применения
Зажимы натяжных болтовые предназначены для крепления алюминиевых, сталеалюминевых и медных проводов сечением от 70 до 300 мм2.
1.1 Монтаж
В зависимости от способа монтажа, требуется использование зажимов НБ различного типа. Для крепления проводов АС70/11, АС95/16 сечением от 70 до 120 кв. мм к натяжным подвескам анкерно - угловых опор применяют зажим НБ-2. Он берет на себя нагрузку натяжения как при нормальном режиме, так и при воздействии ветра и обледенения. При любых условиях эксплуатации, обеспечивается надежный электрический контакт и прочность заделки проводов на уровне не менее 90% от расчетных показателей. В качестве базовой натяжной арматуры для оконцевания и закрепления сталеалюминевого провода на натяжных подвесках изоляторов, которые расположены на анкерно - угловых опорах открытых распределительных устройств и линий электропередач, применяется зажим НБ-2-6. Его используют при монтаже линий от 6 до 110 кВт. В зависимости от модификации, корпус зажима НБ-2-6 может быть изготовлен из чугуна, стали или алюминиевого сплава. Данный вид арматуры полностью соответствует стандартам, выдерживая заявленную в требованиях разрушающую нагрузку 57 кН.
2. Конструкция
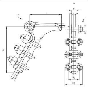
![]() |
Зажим натяжной болтовой НБ-2-6 Зажимы натяжные болтовые НБ-2-6 предназначены для оконцевания и монтажа проводов с цепью закрепления их к натяжным гирляндам изоляторов на анкерно-угловых опорах ЛЭП и ОРУ. Масса – 1,85 кг.
|
||||||||||||||||||||||||||||||||||||||||
|
|
|||||||||||||||||||||||||||||||||||||||||
![]() |
Зажим натяжной болтовой НБ-2-6А Зажимы натяжные болтовые НБ-2-6А предназначены для крепления алюминиевых, сталеалюминевых и медных проводов сечением от 70 до 120 мм2 к натяжным подвескам анкерно-угловых опор. Масса – 1,10 кг.
|
||||||||||||||||||||||||||||||||||||||||
|
|
|||||||||||||||||||||||||||||||||||||||||
![]() |
Зажим натяжной болтовой НБ-3-6Б Зажимы натяжные болтовые НБ-3-6Б Зажим натяжной НБ-3-6Б для алюминиевых проводов поставляется с алюминиевой прокладкой, уложенной вдоль желоба корпуса зажима. Для медных проводов применяются прокладки из мягкой меди. Для проводов А150-А300 зажим НБ-3-6Б комплектуется ушком У1-12-16. Масса – 4,70 кг.
|
||||||||||||||||||||||||||||||||||||||||
|
|
|||||||||||||||||||||||||||||||||||||||||
![]() |
Зажим натяжной болтовой НЗ-2-7 Зажимы натяжные болтовые НЗ-2-7 предназначены для крепления алюминиевых, сталеалюминевых и медных проводов сечением от 70 до 300 мм2. Детали зажимов изготавливаются: корпус и клин зажима НЗ-2-7 — из алюминиевого сплава; плашки - из алюминиевого сплава; остальные детали — из стали. Зажим натяжной заклинивающийся Н3-2-7 применяется на линиях электропередачи для крепления алюминиевых, сталеалюминевых и медных проводов диаметром 11,4 мм - 17,1 мм. Масса – 1,67 кг.
|
||||||||||||||||||||||||||||||||||||||||





