Каталог арматуры
Зажимы аппаратные (А2А)
1. Преимущественная область применения
Зажимы аппаратные предназначены для крепления к выводам аппаратов и для соединения с ответвительными зажимами.
Зажимы аппаратные прессуемые имеют следующее обозначение, например, в марке А4А958:
А — зажим аппаратный;
4 — количество отверстий в контактной лапке;
А — для алюминиевых (сталеалюминиевых) проводов;
М — для медных проводов;
АП — для алюминиевого полого провода;
95 — сечение провода в мм2, для которого предназначен зажим;
8 — порядковый номер модели зажима.
Зажимы аппаратные используются для присоединения двух, трех, четырех и пяти проводов к выводам аппаратов.
Соединение контактных лапок с выводом аппарата обеспечивается болтами, число которых может быть 2, 4, 6 и более.
Существуют два исполнения зажимов:
- первое исполнение — подводимые к аппарату провода расположены перпендикулярно плоскости контактных лапок;
- второе исполнение — оси проводов параллельны плоскости контактных лапок.
Алюминиевые аппаратные зажимы, присоединяемые к медным выводам аппаратов, имеют медную контактную пластину, приваренную к корпусу методом холодной сварки или алюминиевую лапку, лакированную медью. Иногда лапки зажимов покрыты слоем меди, нанесенным гальваническим способом. Зажимы прессуемые монтируются на проводах опрессованием с помощью гидравлических прессов.
Каждый зажим имеет маркировку, товарный знак завода, год изготовления.
Электрическое сопротивление соединенных с помощью зажимов проводов не превышает электрического сопротивления проводов длиной, равной длине смонтированных зажимов.
Нагрев зажимов, смонтированных с проводом, при пропускании через них тока максимально допустимой для данного провода плотности, не превышает нагрева самого провода.
Прочность заделки полых проводов, смонтированных с разрезом в ответвительных зажимах, обеспечивает не менее 90% прочности целого провода.
Монтаж зажимов необходимо выполнять в строгом соответствии с требованиями инструкции по монтажу и указаниями на чертежах.
2. Конструкция
![]() |
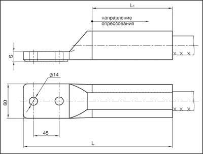
Зажим аппаратный А2А-120-2 Зажимы аппаратные прессуемые А2А-120-2 (с двумя отверстиями в контактной лапке). Предназначен для присоединения одного алюминиевого или сталеалюминиевого провода к выводам аппаратов при монтаже открытых распределительных устройств.
|
||||||||||||||||||||
|
|
|||||||||||||||||||||
![]() |
Зажим аппаратный А2А-150-2 Зажимы аппаратные прессуемые А2А-150-2 (с двумя отверстиями в контактной лапке). Предназначен для присоединения одного алюминиевого или сталеалюминиевого провода к выводам аппаратов при монтаже открытых распределительных устройств.
|
||||||||||||||||||||
|
|
|||||||||||||||||||||
![]() |
Зажим аппаратный А2А-185-2 Зажимы аппаратные прессуемые А2А-185-2 (с двумя отверстиями в контактной лапке). Предназначен для присоединения одного алюминиевого или сталеалюминиевого провода к выводам аппаратов при монтаже открытых распределительных устройств.
|
||||||||||||||||||||
|
|
|||||||||||||||||||||
![]() |
Зажим аппаратный А2А-240-2 Зажимы аппаратные прессуемые А2А-240-2 (с двумя отверстиями в контактной лапке). Предназначен для присоединения одного алюминиевого или сталеалюминиевого провода к выводам аппаратов при монтаже открытых распределительных устройств.
|
||||||||||||||||||||
|
|
|||||||||||||||||||||
![]() |
Зажим аппаратный А2А-300-2 Зажимы аппаратные прессуемые А2А-300-2 (с двумя отверстиями в контактной лапке). Предназначен для присоединения одного алюминиевого или сталеалюминиевого провода к выводам аппаратов при монтаже открытых распределительных устройств. Термодинамический способ нанесения медного слоя.
|
||||||||||||||||||||
|
|
|||||||||||||||||||||
![]() |
Зажим аппаратный А2А-35-2 Зажимы аппаратные прессуемые А2А-35-2 (с двумя отверстиями в контактной лапке). Предназначен для присоединения одного алюминиевого или сталеалюминиевого провода к выводам аппаратов при монтаже открытых распределительных устройств.
|
||||||||||||||||||||
|
|
|||||||||||||||||||||
![]() |
Зажим аппаратный А2А-400-2 Зажимы аппаратные прессуемые А2А-400-2 (с двумя отверстиями в контактной лапке). Предназначен для присоединения одного алюминиевого или сталеалюминиевого провода к выводам аппаратов при монтаже открытых распределительных устройств. Термодинамический способ нанесения медного слоя.
|
||||||||||||||||||||
|
|
|||||||||||||||||||||
![]() |
Зажим аппаратный А2А-50-2 Зажимы аппаратные прессуемые А2А-50-2 (с двумя отверстиями в контактной лапке). Предназначен для присоединения одного алюминиевого или сталеалюминиевого провода к выводам аппаратов при монтаже открытых распределительных устройств.
|
||||||||||||||||||||
|
|
|||||||||||||||||||||
![]() |
Зажим аппаратный А2А-600-2 Зажимы аппаратные прессуемые А2А-600-2 (с двумя отверстиями в контактной лапке). Предназначен для присоединения одного алюминиевого или сталеалюминиевого провода к выводам аппаратов при монтаже открытых распределительных устройств. Термодинамический способ нанесения медного слоя.
|
||||||||||||||||||||
|
|
|||||||||||||||||||||
![]() |
Зажим аппаратный А2А-70-2 Зажимы аппаратные прессуемые А2А-70-2 (с двумя отверстиями в контактной лапке). Предназначен для присоединения одного алюминиевого или сталеалюминиевого провода к выводам аппаратов при монтаже открытых распределительных устройств.
|
||||||||||||||||||||
|
|
|||||||||||||||||||||
![]() |
Зажим аппаратный А2А-95-2 Зажимы аппаратные прессуемые А2А-95-2 (с двумя отверстиями в контактной лапке). Предназначен для присоединения одного алюминиевого или сталеалюминиевого провода к выводам аппаратов при монтаже открытых распределительных устройств.
|
||||||||||||||||||||




